CW Stereoprozessor

Februar 1, 2026 - Lesezeit: 3 Minuten

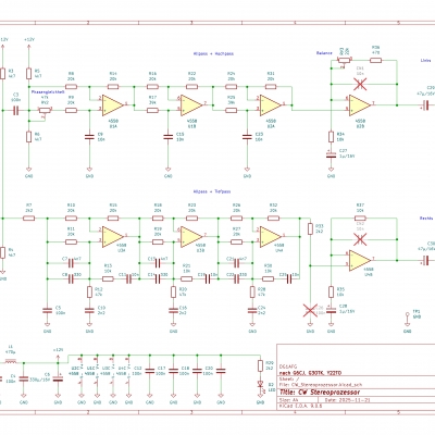
Der CW-Stereoprozessor basiert auf den Veröffentlichungen von G6CJ, G3OTK und Y22TO. Er wandelt das CW-Signal, welches in Mono empfangen wird, in ein Pseudo-Stereosignal um. Als Ergebnis entsteht im Kopfhörer der Eindruck räumlichen Hörens. Beim Abstimmen des Empfängers laufen die Signale im Kopf von links nach rechts bzw. umgekehrt. Benachbarte Signale sind links und rechts vom mittigen Nutzsignal zu hören.

Pile-ups sind besonders beeindruckend! Beim Abstimmen bewegt sich ein Signal mit zunehmender Frequenz von der einen Seite weiter zur anderen Seite, wo es dann die Richtung ändert, wenn die Abstimmung zurückgedreht wird, um wieder zur Mitte zurückzukehren. Der Klang scheint nicht wie üblich aus den Kopfhörern zu kommen, sondern aus dem Inneren des Kopfes. Mehrere CW-Signale im Empfänger-Durchlassbereich werden räumlich verteilt. Ein echtes Stereoerlebnis mit Tiefe und Präsenz, das CW-Empfang einzigartig macht. Und ja, sicherlich wird es einige Zeit und mehrere Hörsitzungen dauern, bis man diese neue Dimension des CW-Empfangs voll und ganz zu schätzen lernt. 
Daher sollte sogar eine möglichst große Empfängerbandbreite eingestellt werden, da schmale Filterbandbreiten das räumliche Klangerlebnis beeinträchtigen. 

Funktionsweise

Die Schaltung wurde bereits Anfang der 1980er Jahre in der Literatur vorgestellt. Sie basiert auf Allpass Filtern mit Operationsvertärkern und wurde auf heute gängige OPV Typen abgewandelt. Die Baumappe enthält auch alle notwendigen Informationen zum Abgleich.

Das Audiosignal wird aufgespalten und mit leicht unterschiedlichen Frequenz- und Zeitparametern auf den linken und rechten Kanal verteilt. Der linke Kanal enthält das CW-Signal, das durch eine mit steigender Frequenz fallende Verzögerung durchläuft. Der rechte Kanal enthält das CW-Signal, das durch eine mit steigender Frequenz steigende Verzögerung durchläuft. Das Tonspektrum wird quasi aufgespreizt, so dass niedrige Frequenzen mit fallender Frequenz nach rechts versetzt erscheinen und höhere mit steigender Frequenz nach links versetzt wandern. Das "visuelle Bild" der empfangenen Signale erscheint deutlicher.

Baumappe mit KiCad Projektdateien

Diese Technik erzeugt im Kopf des Hörers den Eindruck, als käme das CW-Signal aus einer bestimmten Richtung, was die Konzentration auf das Nutzsignal im QRM erleichtert. Beim Abstimmen des Empfängers laufen die Signale quasi im Kopfhörer von links nach rechts (bzw. umgekehrt) vorbei.

Das Gehirn hat eine ausgeprägte natürliche Richtungsempfindlichkeit. Es lernt die durch den Stereoprozessor erzeugte neue Hörerfahrung und kann das gewünschte Signal besser selektiv verarbeiten. 

Vorteile für den Funkamateur

  • Bessere Selektivität. Durch die räumliche Trennung im Stereo-Kopfhörer fällt es dem Ohr leichter, das Zielsignal von benachbarten Störsignalen zu unterscheiden.
  • Geringere Ermüdung. Das Hören eines räumlich breiteren Signals ist für das Gehör entspannender als ein scharfes, mono zentriertes Signal über lange Zeiträume (z.B. in Contests).
  • Effizientes Tuning. Man hört sofort, auf welcher Seite (links/rechts) des gewünschten Tons man sich befindet, was das Zero-Beat-Abstimmen (exaktes Einstellen der Frequenz) erleichtert.